| |
www.jm-mould.com |
| |
Contact
Us |
|
 |
Product |
 |
Machine Model:JMU-308 | 
|
|
Item |
Name of item |
Unit |
JMU308 |
|
A |
B |
C |
|
Injection unit |
Screw Diameter |
mm |
60 |
65 |
70 |
|
Screw L/D Ratio |
L/D |
22.8 |
21 |
19.5 |
|
Shot size(Theoretical) |
cm3 |
748 |
890 |
12 |
|
lnjection weight |
g |
851 |
1000 |
1159 |
|
Injection Pressure |
Mpa |
213 |
182 |
157 |
|
Screw speed |
rpm |
0--165 |
|
Clamping unit |
Clamping tonnage |
Kn |
3080 |
|
Toggle Stroke |
mm |
620 |
|
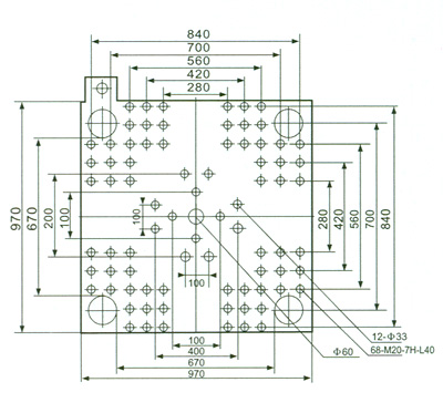
Space Between Tie-bars |
mm |
670x670 |
|
Max.Mould Thickness |
mm |
570 |
|
Min.Mould Thickness |
mm |
270 |
|
Ejector Stroke |
mm |
170 |
|
Ejector Tonnage |
Kn |
90 |
|
Ejector Number |
n |
13 |
|
Others |
Max.Pump Pressure |
mpa |
16 |
|
Pump Motor Power |
Kw |
30 |
|
Heater power |
Kw |
19.65 |
|
Machine Dimensions(L〜W〜H) |
m |
7.2〜2.0〜2.4 |
|
Machine Weight |
Ton |
13.5 |
|
Oil Tank Capacity |
Liter |
630 | |
|
|
|